電話:0512-57571599
手機:13358054159
郵箱:rimy@so-k.com.cn
地址:江蘇省昆山市高新區錦淞路268號4棟
離心風機的類型分為很多種,按電壓分的話,分為直流(DC)和交流(AC)兩種類型。今天首肯電子就為大家介紹一款ebm交流離心風機。

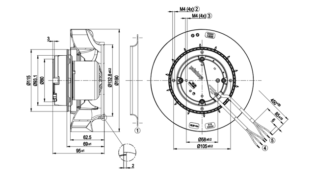
這款ebm交流離心風機尺寸為190mm,電機尺寸為55mm,電壓230v,轉速3550RPM,功率100W,電流0.85A,重量為1.29KG,葉輪材料PP塑料,葉片數量7,從轉子方向看,旋轉方向為順時針。軸承系統采用的是滾珠軸承,使用溫度-25℃到60℃,防護等級可達到IP54。對于電機運輸和存儲的環境溫度是從-40℃到80攝氏度,產品符合sen 60335-1/CE標準。

這款ebm交流離心風機采用自由輪設計,無需蝸殼,高性能,低噪音,對于帶有外轉子電機的離心風機,電機集成于葉輪中,這樣不僅可以確保電機的出色冷卻效果,還可以實現非常緊湊的設計,還能夠實現控制、檢測和維護功能。首肯電子專注于品牌風機12年,是ebmpapst官方授權代理,提供多種型號的現貨產品,全新原裝,正品保障,歡迎咨詢選購。
